![图片[1]-【新品】慧智微5G射频前端整体方案,助力5G手机批量生产;机器人在抗击新冠疫情的护理中发挥了重要作用-JieYingAI捷鹰AI](https://www.jieyingai.com/wp-content/uploads/2024/06/1719259443965_0.jpg)
1.慧智微5G射频前端整体方案,助力5G手机批量生产;
2.外媒:120Hz高刷新率模式对Galaxy S20续航造成较大压力;
3.机器人在抗击新冠疫情的护理中发挥了重要作用
![图片[2]-【新品】慧智微5G射频前端整体方案,助力5G手机批量生产;机器人在抗击新冠疫情的护理中发挥了重要作用-JieYingAI捷鹰AI](https://www.jieyingai.com/wp-content/uploads/2024/06/1719259443965_1.jpg)
1.慧智微5G射频前端整体方案,助力5G手机批量生产;
慧智微Agi5G™射频前端解决方案于2019年Q4量产并交付Alpha客户验证,首批搭载该方案的手机终端于近期批量生产。
![图片[3]-【新品】慧智微5G射频前端整体方案,助力5G手机批量生产;机器人在抗击新冠疫情的护理中发挥了重要作用-JieYingAI捷鹰AI](https://www.jieyingai.com/wp-content/uploads/2024/06/1719259443965_2.jpg)
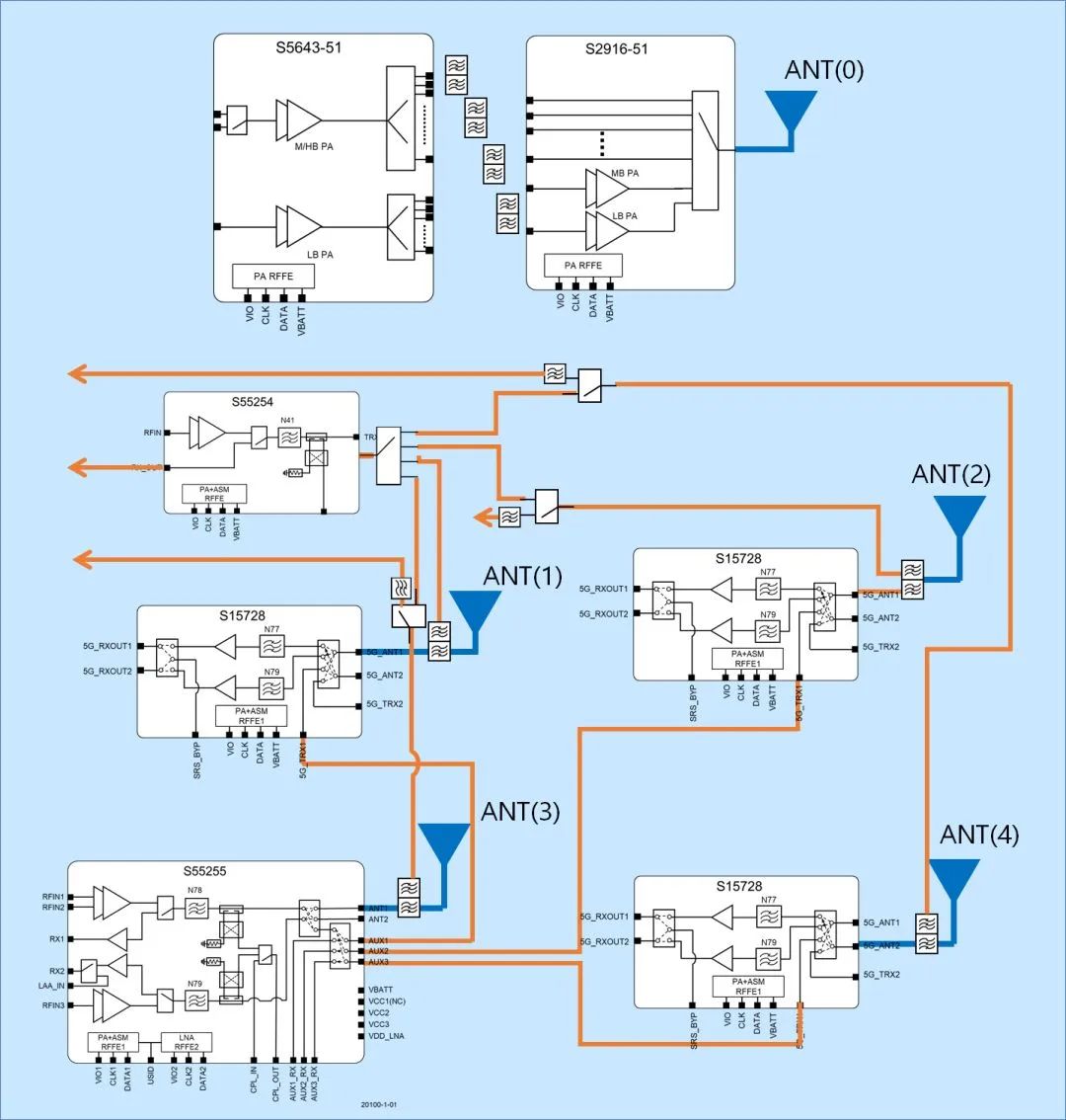
图:搭载慧智微Agi5G™ 1T4R方案示意图
![图片[4]-【新品】慧智微5G射频前端整体方案,助力5G手机批量生产;机器人在抗击新冠疫情的护理中发挥了重要作用-JieYingAI捷鹰AI](https://www.jieyingai.com/wp-content/uploads/2024/06/1719259443965_3.png)
![图片[5]-【新品】慧智微5G射频前端整体方案,助力5G手机批量生产;机器人在抗击新冠疫情的护理中发挥了重要作用-JieYingAI捷鹰AI](https://www.jieyingai.com/wp-content/uploads/2024/06/1719259443965_4.png)
图:搭载慧智微Agi5G™的客户PCBA射频部分照片
慧智微Agi5G™射频前端整体解决方案
Agi5G™是慧智微推出的可重构5G射频前端方案。为了推动5G射频前端兼容性,Agi5G™基于通用方案Phase2(LTE)和Phase7(5G NR)的管脚进行设计,为客户提供了一套简洁高效的5G射频前端整体解决方案:
Agi5G™射频前端方案具有的优势:
发力新频段,解决新挑战
![图片[6]-【新品】慧智微5G射频前端整体方案,助力5G手机批量生产;机器人在抗击新冠疫情的护理中发挥了重要作用-JieYingAI捷鹰AI](https://www.jieyingai.com/wp-content/uploads/2024/06/1719259443965_5.png)
图:5G引入n77/n79新频段,给射频前端设计带来挑战
为了满足更高传输速率的需求,5G开始向更高的频率拓展。n77/n79频段作为5G全球部署的主力频段,载波频率范围从3.3GHz至5GHz。n77/n79两个频段的总带宽达到1500MHz, 是中低频全部可用带宽总和的2倍以上,同时也是另一个5G频段n41带宽的8倍。更大的带宽带来了速度的提升,但同时也对芯片设计带来了挑战。
在相同天线增益和传输距离的情况下,信号的衰减与信号的频率成正比。对于n77/n79 频段,更高的频率意味着更大的损耗。为了保证信号覆盖问题,5G 终端的发射功率等级从PC3提升至PC2,即提升了3dB。对于射频PA设计来说,每提升1dB线性功率都是极大的挑战。
n77的带宽/载波频率比达到24%,远高于n41的7.5%。对于高集成度的L-PAMiF方案,各个功能子模块都需要在宽带下,保证良好性能。
采用相同的制造工艺, 通常PA的效率会随着频率的升高而下降。特别是在n79频段,PAE的提升受到很多限制。5G NR定义了终端需支持上行占空比30%甚至更高,在PC2的发射功率要求下,PA的散热问题变得非常重要。
下表列出了常见收发模组对比,4G LTE方案中常用的是PAM和PAMiD,分别对应高性价比方案和高性能方案。而n77/n79双频L-PAMiF是目前5G集成度最高的商用芯片之一。
表:不同类型的模组集成度对比
![图片[7]-【新品】慧智微5G射频前端整体方案,助力5G手机批量生产;机器人在抗击新冠疫情的护理中发挥了重要作用-JieYingAI捷鹰AI](https://www.jieyingai.com/wp-content/uploads/2024/06/1719259443965_6.png)
Agi5G™射频前端解决方案的推出,使慧智微与另一家美国公司,成为仅有的两家能够提供n77/n79双频L-PAMiF的射频前端供应商,共同为手机终端厂商赋能。
慧智微在2017年即投入5G射频前端模组的技术预研,开展大带宽、高频率、高效率PA、快速切换开关的技术研究,并在两年之后,正式实现Agi5G™套片的量产,满足了行业内对关键芯片的需求。
慧智微Agi5G™方案产品主要时间点:
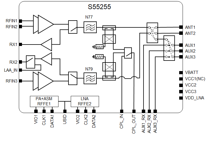
S55255:Agi5G™ n77/n79双频L-PAMiF芯片
S55255系列产品是慧智微基于Agi5G™可重构射频前端平台开发的n77/n79射频前端模组:
![图片[8]-【新品】慧智微5G射频前端整体方案,助力5G手机批量生产;机器人在抗击新冠疫情的护理中发挥了重要作用-JieYingAI捷鹰AI](https://www.jieyingai.com/wp-content/uploads/2024/06/1719259443965_7.png)
图:S55255产品框图
表:S55255发射性能
![图片[9]-【新品】慧智微5G射频前端整体方案,助力5G手机批量生产;机器人在抗击新冠疫情的护理中发挥了重要作用-JieYingAI捷鹰AI](https://www.jieyingai.com/wp-content/uploads/2024/06/1719259443965_8.png)
*Waveform: DFT-s-OFDM_QPSK_100M_270RB
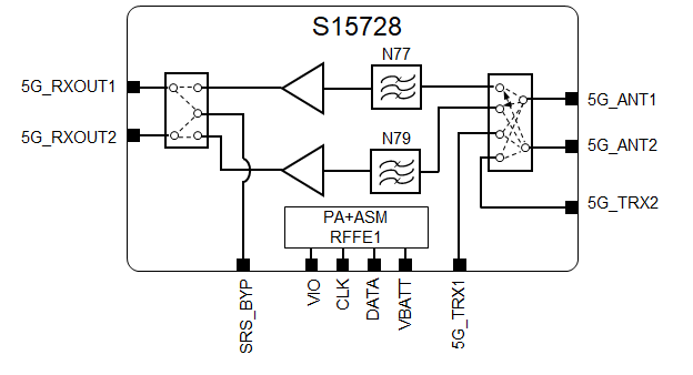
S15728:Agi5G™ n77/n79双频L-FEM芯片
S15728系列产品是慧智微基于Agi5G™可重构射频前端平台开发的n77/79射频前端接收模组:
图:S15728产品框图
![图片[10]-【新品】慧智微5G射频前端整体方案,助力5G手机批量生产;机器人在抗击新冠疫情的护理中发挥了重要作用-JieYingAI捷鹰AI](https://www.jieyingai.com/wp-content/uploads/2024/06/1719259443965_9.png)
表:S15728产品性能
![图片[11]-【新品】慧智微5G射频前端整体方案,助力5G手机批量生产;机器人在抗击新冠疫情的护理中发挥了重要作用-JieYingAI捷鹰AI](https://www.jieyingai.com/wp-content/uploads/2024/06/1719259443965_10.png)
十年积累,宝剑锋从磨砺出
慧智微成立于2011年,是全球领先的射频前端芯片提供商,致力于通过软件定义的射频芯片使能万物互联的智能世界。
慧智微通过自主创新,研发出有基础专利的射频前端可重构技术,在全球率先实现技术突破及规模商用,使射频前端器件可以通过软件配置实现不同频段、模式、制式和场景下的复用,取得性能、成本、尺寸多方面优化。基于慧智微可重构射频前端平台AgiPAM®设计实现的4G多频多模产品,已经累计实现过亿片出货。
通过技术创新,在可重构射频前端产品中,慧智微实现了多项技术突破:
将原有单路功放
慧智微实现软件定义低噪声放大器的设计,实现多频段、可配置低噪声放大器。5G射频前端方案中,需要低噪声放大器有多级增益的精准配置,慧智微在可重构多频段低噪声放大器的技术积累,将助力集成模组低噪声放大器的实现。
在大规模量产的可重构射频前端产品中,慧智微使用
慧智微拥有多项高性能开关设计专利,在天线发射模组的开关设计中,实现所有端口插入损耗(14个端口)与同类产品最低插损口相损耗相当(仅1个低插损口),比其余端口损耗低0.3~0.4dB。高性能开关的技术积累为5G射频前端低插损开关提供了扎实的设计基础。
慧智微一直致力于提高模组集成度,很早就开始与供应链伙伴研究高密度封装技术,在滤波器集成,全倒扣封装,全3D EM仿真等方向具备扎实的技术积累。集成技术的优势有助于5G模块的开发和可靠量产。
基于慧智微在射频前端的长期技术积累,我们期待在5G时代,能够快速满足客户对高性能射频前端解决方案的需求,与客户合力共赢,共同引领5G产业发展!
![图片[1]-【新品】慧智微5G射频前端整体方案,助力5G手机批量生产;机器人在抗击新冠疫情的护理中发挥了重要作用-JieYingAI捷鹰AI](https://www.jieyingai.com/wp-content/uploads/2024/06/1719259443965_0.jpg)
2.外媒:120Hz高刷新率模式对Galaxy S20续航造成较大压力;
为了解三星 Galaxy S20 系列智能机引入的 120Hz 高刷新率显示屏对电池续航的影响,外媒 PhoneArena 特地展开了一番专项测试。结果发现从普通的 60Hz 向纯 120Hz 模式过渡的话,会对三款 Galaxy S20 智能机的续航产生较大的影响。或许正因如此,一些厂商才考虑从系统层面引入更加智能的场景 AI,以兼顾流畅度和续航。
![图片[13]-【新品】慧智微5G射频前端整体方案,助力5G手机批量生产;机器人在抗击新冠疫情的护理中发挥了重要作用-JieYingAI捷鹰AI](https://www.jieyingai.com/wp-content/uploads/2024/06/1719259443965_12.jpg)
(来自:PhoneArena)
早期测试表明,在 Galaxy S20 Ultra 上切换至 120Hz 刷新率时,电池续航可能缩短近 20% 。但在 3 月初的更新后,其它测试表明这种影响可能更明显。
在默认的 60Hz 刷新率下,Galaxy S20 Ultra 可在浏览和滚动场景下实现 12 小时 23 分钟的续航,较 PhoneArena 测过的大多数竞品都要优秀。
然而在切换到 120Hz 之后,续航就缩到了只有 9 小时 15 分 ~ 10 小时左右,意味着续航缩短 20 ~ 25% 。
Galaxy S20 Plus 的表现也类似,在 60Hz 模式下,12 小时 40 分钟的续航比 Ultra 机型略长。但在切换到 120Hz 模式时,续航就短得只剩 8 小时 30 分钟(相差 33%)。
![图片[14]-【新品】慧智微5G射频前端整体方案,助力5G手机批量生产;机器人在抗击新冠疫情的护理中发挥了重要作用-JieYingAI捷鹰AI](https://www.jieyingai.com/wp-content/uploads/2024/06/1719259443965_13.jpg)
小号的 Galaxy S20 也有类似的故事,60Hz 模式下续航 12 小时 12 分钟。但在 120Hz 模式下,续航锐减至 7 小时 45 分钟(相差 36%)。
显然,120Hz 模式能够在特定场景下极大地提升用户的视觉体验,尤其是结合高分辨率的屏幕时。但在常规的使用场景下,边际效应就没有那么明显,只是徒增功耗而已。当然,这意味着三星仍有很大的改进空间。
此外,PhoneArena 测试了六款流行游戏,但暂未找到适配 120Hz 的选项。不过相信用不了多久,软件开发商就会逐步加入对高刷新率显示屏的支持。cnbeta
![图片[1]-【新品】慧智微5G射频前端整体方案,助力5G手机批量生产;机器人在抗击新冠疫情的护理中发挥了重要作用-JieYingAI捷鹰AI](https://www.jieyingai.com/wp-content/uploads/2024/06/1719259443965_0.jpg)
3.机器人在抗击新冠疫情的护理中发挥了重要作用
在抗击新冠病毒引发的 COVID-19 疫情期间,涌现了许多的故事。在感动之余,我们也注意到了科学技术在其中发挥的重要作用。比如在武汉的一家“智能医院”中,机器人就担负起了获取生命体征数据、运送药品、对设施进行消毒、以及招待被隔离患者等职责,甚至在数量上也超过了人类工作者。
![图片[16]-【新品】慧智微5G射频前端整体方案,助力5G手机批量生产;机器人在抗击新冠疫情的护理中发挥了重要作用-JieYingAI捷鹰AI](https://www.jieyingai.com/wp-content/uploads/2024/06/1719259443965_15.jpg)
(图自:Cloud Minds)
本周早些时候,机器人完全接管了武汉的一家智能野战医院。这家医院的设立,旨在为忙碌而疲惫的医疗工作者提供新冠患者护理上的帮助。
在入口处,5G 驱动的测温设备会标记有发烧症状的患者,另有类人与盒式造型的机器人在多个领域发挥着作用。
比如通过连接患者佩戴的智能手环等设备,能够 7 * 24 小时地监测心率和血氧水平等体征数据。
巡逻机器人可传递药物和清理感染区域,引导患者进行适当的运动锻炼,甚至为无聊的隔离患者来一段舞蹈解闷。
![图片[17]-【新品】慧智微5G射频前端整体方案,助力5G手机批量生产;机器人在抗击新冠疫情的护理中发挥了重要作用-JieYingAI捷鹰AI](https://www.jieyingai.com/wp-content/uploads/2024/06/1719259443965_16.jpg)
(图自:Cloud Minds)
据悉,Cloud Minds Technology 是软银投资的一架初创企业。其总部位于北京,主要提供基于云端的机器人系统解决方案。
疫情期间,该公司向医院捐赠了一批机器人,并与中国移动和武汉方舱医院携手,在体育馆改建的临时场地里展开了全面测试。
项目启动时,这里配备了 12 套机器人和其它智能设备。通过信息管理平台,医务人员能够对机器人展开远程控制。
不过随着疫情得到有效控制,武汉市的方舱医院已经陆续关门大吉,因为普通医院也能够收纳新增病例。
![图片[18]-【新品】慧智微5G射频前端整体方案,助力5G手机批量生产;机器人在抗击新冠疫情的护理中发挥了重要作用-JieYingAI捷鹰AI](https://www.jieyingai.com/wp-content/uploads/2024/06/1719259443965_17.jpg)
(图自 @武汉方舱医院 微博)
在这段并不算太长的试验期内,Cloud Minds 与各方展开了积极的测试,证实了机器人在医疗保健行业得到广泛应用的美好愿景。
尤其在流行病爆发期间,机器人不仅可能缓解人类医护工作者的紧张局面,还能够替代人类完成一系列高风险的工作。
Cloud Minds 首席执行官兼创始人 Bill Huang 在上月接受 CNBC 记者采访时称:机器人的优势是不怕携带疾病,并且能够轻松消毒。
该公司发言人补充道:野战医院的医务工作者仍在当地随时待命,如有需要,Cloud Minds 机器人亦可立即重新投入战斗。cnbeta
更多新闻请点击进入爱集微小程序阅读
1.科研经费削减下还被催促疫苗研发 Science主编:请总统帮个忙
2.Windows 10 KB4551762 SMBv3 重要补丁被指存在问题 ;
3.Apple Card 持有人可以请求3月份不偿还账单;
4.苹果:关闭西班牙、意大利门店,WWDC转为线上发布 ;
5.特朗普声明遭打脸:谷歌未在开发新冠筛查网站且还没准备好 ;
6.上市在即:三星官网悄然列出Galaxy A11入门新机 ;
更多新闻请点击进入爱集微小程序阅读
![图片[19]-【新品】慧智微5G射频前端整体方案,助力5G手机批量生产;机器人在抗击新冠疫情的护理中发挥了重要作用-JieYingAI捷鹰AI](https://www.jieyingai.com/wp-content/uploads/2024/06/1719259443965_18.jpg)
![图片[20]-【新品】慧智微5G射频前端整体方案,助力5G手机批量生产;机器人在抗击新冠疫情的护理中发挥了重要作用-JieYingAI捷鹰AI](https://www.jieyingai.com/wp-content/uploads/2024/06/1719259443965_19.jpg)
![图片[21]-【新品】慧智微5G射频前端整体方案,助力5G手机批量生产;机器人在抗击新冠疫情的护理中发挥了重要作用-JieYingAI捷鹰AI](https://www.jieyingai.com/wp-content/uploads/2024/06/1719259443965_20.jpg)
听说你也“在看”
![图片[22]-【新品】慧智微5G射频前端整体方案,助力5G手机批量生产;机器人在抗击新冠疫情的护理中发挥了重要作用-JieYingAI捷鹰AI](https://www.jieyingai.com/wp-content/uploads/2024/06/1719259443965_21.gif)







