前言
前端开发人员需要了解并熟悉现行前端框架的基础构成,开发规范,工作流及运行方式,才能够更高效、快速的融入到当前开发的工作中来。本文将阐述前端开发过程中需要了解、熟悉并注意的一些方面,包含以下几点
前端架构介绍开发环境和技术栈开发规范流程规范GIT操作规范前端项目介绍
基于工程化、模块化、协作化打造前端框架,我们目标是:打造更好的工程化、模块化、协作化的前端框架
前端架构图
![图片[1]-前端工程工作流规范-JieYingAI捷鹰AI](https://www.jieyingai.com/wp-content/uploads/2024/09/1727470839852_0.webp)
开发环境与技术栈
为保证每个开发人员输出标准化,避免开发时浪费无谓的沟通成本,我们需要开发人员尽量使用统一的开发环境
开发环境
需要在本地开发环境中预先安装以下全局命令
NODE
NODE版本需要安装大于12的稳定版
GIT
需在本地安装大于2.9的版本
VUE-CLI
需在本地安装>=4.0版本
开发工具
VS CODE
为便于文件代码风格统一,建议下载使用 vs code 进行编码工作,我们在项目根目录也配置了 .editorconfig 文件来统一 vs code 编辑器的使用。
ESLINT
代码规范是基于 vue 官方的 eslint 规则eslint-config-vue 进行了配置,vs code 需要安装 eslint 插件。
PRETTIER
建议采用 Vetur 插件来实现代码质量提示&错误、格式化/风格、智能提示格式化。
技术栈
前端项目架构目前基于 vue-admin-template 框架的二次开发版本,需要熟练使用以下相关知识点
VUE
渐进式 JavaScript 框架,Vue.js
VUE-CLI
Vue CLI 是一个基于 Vue.js 进行快速开发的完整系统,介绍 Vue CLI
VUE-ROUTER
Vue Router 是Vue.js官方的路由管理器
VUEX
Vuex 是一个专为 Vue.js 应用程序开发的状态管理模式 开始 Vuex
SASS
成熟、稳定、强大的专业级CSS扩展语言 Sass世界上最成熟、稳定和强大的CSS扩展语言 Sass中文网
ES6
是 JavaScript 的下一个版本标准
ELEMENT-UI
Element,一套为开发者、设计师和产品经理准备的基于 Vue 2.0 的桌面端组件库
开发规范
对于一个开发团队来说,有一套完整的开发规范可以减少团队协作成本和维护成本,可以让代码阅读起来更容易,以下是制定前端协作规范的不同方面的思考,待完善。
代码规范命名规范目录规范
为便于项目代码管理和阅读,统一使用以下目录结构规范,请遵照以下目录规范创建和修改文件进行开发。
├── build # 构建相关
├── public # 静态资源
│ │── favicon.ico # favicon 图标
│ └── index.html # html 模板
├── src # 源代码文件
│ ├── api # 所有接口请求
│ ├── assets # 图片、图标、字体等静态资源
│ ├── components # 全局公用组件
│ ├── directive # 全局指令
│ ├── filters # 全局 filter
│ ├── icons # 项目所有 svg icons
│ ├── layout # 全局 layout
│ ├── router # 路由设置
│ ├── store # 全局 store 管理
│ ├── styles # 全局样式
│ ├── utils # 全局公用方法
│ ├── vendor # 公用 vendor
│ ├── views # views 所有页面
│ ├── App.vue # 应用入口
│ ├── main.js # 资源载入 应用初始化等
│ └── permission.js # 权限管理
├── .env.xxx # 环境变量配置
├── .eslintrc.js # eslint 配置项
├── .babelrc # babel-loader 配置
├── .travis.yml # 自动化CI配置
├── vue.config.js # vue-cli 配置
├── postcss.config.js # postcss 配置
└── package.json # package.json
环境配置规范
开发分为若干环境,开发人员需要配置相关的配置文件,以配合运维简单使用。请使用上述目录规范中 env.xxx 来进行配置
.env.dev
开发环境
.env.uat
测试环境
.env.pro
生产环境
配置示例
# just a flag
NODE_ENV = development
# env mode
ENV = dev
# base api
VUE_APP_BASE_API = '/dev-api'
流程规范
前端工作开发有一个比较复杂的工作流程,需要与 产品人员、UI、UE、后端、测试,运维等相关人员频繁沟通,优化。导致前端开发工时很容易被动延长。
我们对前端开发工作做分层处理,分为 业务层,公共层,系统层,对应开发人员将分配到 业务组,公共组,系统组中,并开展工作。
下图是一个前端业务正常的流转流程图,主要涉及 公共组,业务组 的开发工作
![图片[2]-前端工程工作流规范-JieYingAI捷鹰AI](https://www.jieyingai.com/wp-content/uploads/2024/09/1727470839852_1.webp)
工作分组业务组
对接人员:后端,测试,产品,运维
工作内容:负责业务推进,分支管理,配合产品优化业务逻辑,配合测试修复逻辑类的bug,并支持运维上线
公共组
对接人员:产品,UI,UE,业务组
工作内容:负责统筹项目样式开发,公共组件开发,形成模块模板页面,文档,DEMO,配合UI/UE优化页面样式,组件交互,配合测试修复样式及组件交互类的bug
系统组
对接人员:公共组,业务组
工作内容:负责维护、升级前端框架,技术选型,多端输出,新技术应用,人员培训,人员招聘
项目推进需求阶段
参与原型评估,理解和明确产品需求,评估开发难度和实现成本,预估上线准备的时间 。
预启动模板构建的相关工作
开发阶段
合理安排项目排期,避免开发过程中发现工作量与预期有严重出入,需要尽早向项目人员反馈,方便修改时间安排。
提测阶段上线
通过提测后,在安排上线前,需要在上线分支添加 tag 标签,便于后续跟踪和代码回滚;
上线后,还需关注功能是否正常运行,各项指标是否正常?比如产品上报数据、性能监控数据、错误监控数据等,是否有可以优化的点。
维护
对于项目上线后出现功能故障点、页面排布展示的问题和性能优化的问题,及时跟进,做好沟通工作,主动推进问题解决。
项目工具
需要关注TAPD项目进度,及时调整工作状态
工作会议
不同组将分别参与不同的会议,能够更高效的开展开发工作
需求评审会
主要由业务组成员参加,参与原型评估,理解和明确产品需求,评估开发难度和实现成本,预估上线准备的时间。
UI/UE评审会
主要由公共组成员参加,及时对不合理的设计需求,或不能及时完成的组件提出明确的信息,促使产品/UI/UE提早修改方案,方便排期工作
周会
全员参与,暴露开发期间遇到的问题,及抛出将要开展的工作内容
Git规范
上线产品是一个严谨的过程,需要在足够复杂的场景中尽可能的暴露出开发中的问题,因此需要部署多个环境以确保上线产品能够完美的呈现给客户,个中依然会有 hotfix 的情况出现,我们需要使用GIT工具一步一步的来推进项目
GIT工作流程图基于分支的GIT工作流
![图片[3]-前端工程工作流规范-JieYingAI捷鹰AI](https://www.jieyingai.com/wp-content/uploads/2024/09/1727470839852_2.webp)
分支名保留分支名
不能使用以下保留分支名,该类分支名统一由运维负责
dev
test
test1
test*
test-1
test-*
uat
uat1
uat*
uat-1
uat-*
master
建议使用的开发分支名称如 dev-name
分支管理
master主分支:
用于生产部署,一般由 uat 分支合并,任何情况下不允许直接在 master 分支上修改代码。
uat分支:
预上线分支,提供生产环境下用户测试验收使用。
dev分支:
开发环境分支,用于开发新需求自测联调使用。
dev-xxx:
以dev-命名开头,用于本地开发使用。
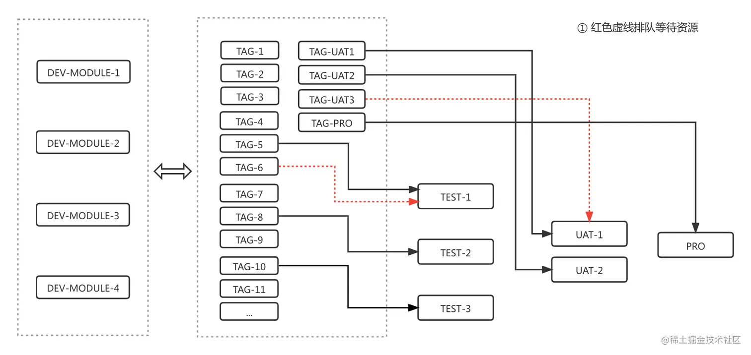
基于标签的GIT工作流
![图片[4]-前端工程工作流规范-JieYingAI捷鹰AI](https://www.jieyingai.com/wp-content/uploads/2024/09/1727470839852_3.webp)
标签命名规范
生产环境: rc-yyyymmdd-序号 (eg:rc-20211027-001)
验收环境: alpha-yyyymmdd-序号 (eg:alpha-20211027-001)
测试环境: test-yyyymmdd-序号 (eg:test-20211027-001)
开发环境: dev-yyyymmdd-序号 (eg:dev-20211027-001)
版本规范
由4位数确定一个版本,如:1.0.0.x,其中 x 作为开发内部使用的迭代版本,前3为由产品定义
COMMIT规范
为了方便项目管理,git commit 信息最好按照一定的格式规范,使用良好的Commit Message有利于代码审查,能更快速查找变更记录。建议规范格式如下:
<类型>(<涉及版本>): <标题>
<空行>
<body>
<空行>
<footer>
常用类型
feat:新曾功能或功能变更
fix:修复bug
docs:文档提交
build:修改项目的的构建工具或外部依赖(webpack、glup等)
style:主要是样式方面的优化、如删除空格、改变缩进、单双引号切换等,并不会影响代码逻辑的修改
refactor:代码重构
revert:回滚某个更早的提交
ci:修改项目的持续集成流程(Kenkins、Travis等)的提交
chore:构建过程或辅助工具的变化
pref:性能、体验相关的提交
test:测试相关的开发
前后端协作规范
真实环境联调。前端将接口请求代理到后端服务,进行联调。







